一品楼免费信息论坛洛阳品茶嫩茶wx ,一品论坛全国,凤楼阁.gov.ccn,51龙凤茶楼论坛网站沈阳51龙凤茶楼论坛网

¸ßµÍÎÂÊÔÑéÏä

·±Ìå°æ
ËÑË÷
 
 
 
ÊÛºó³Ðŵ
¹ÊÕÏÅųý
ÔÚÏß±¨ÐÞ
Ïà¹Ø±ê×¼
ͶËß½¨Òé
У׼֤Êé
ÑÎÎíÊÔÑéÏä
ºãκãʪÊÔÑéÏä
¸ßµÍÎÂÊÔÑéÏä
ÀäÈȳå»÷ÊÔÑéÏä
¸ßµÍγå»÷ÊÔÑéÏä
¸ßµÍÎÂʪÈÈÊÔÑéÏä
¸ßµÍν»±äÊÔÑéÏä
¸ßµÍν»±äʪÈÈÊÔÑéÏä
¿ìËÙαäÊÔÑéÏä
¸ßÎÂÊÔÑéÏä
µÍÎÂÊÔÑéÏä
ɳ³¾ÊÔÑéÏä
ÁÜÓêÊÔÑéÏä
¹Ä·ç¸ÉÔïÏä
Õæ¿Õ¸ÉÔïÏä
×ÏÍâÀÏ»¯ÊÔÑéÏä
»»ÆøÀÏ»¯ÊÔÑéÏä
³ôÑõÀÏ»¯ÊÔÑéÏä
믵ÆÀÏ»¯ÊÔÑéÏä
믵ÆÄÍÆøºòÊÔÑéÏä
·ÀÐâÓÍ֬ʪÈÈÊÔÑéÏä
¶þÑõ»¯ÁòÊÔÑéÏä
Ò©Æ·Îȶ¨ÐÔÊÔÑéÏä
ù¾úÊÔÑéÏä
µÍÆøÑ¹ÊÔÑéÏä
ºãκãʪʵÑéÊÒ
´óÐ͸ߵÍβ½ÈëÊÔÑéÊÒ
ÑÎÎí¸¯Ê´ÊÔÑéÊÒ
Õñ¶¯Ì¨
µøÂäÊÔÑé»ú
¹¤ÒµºæÏä
ºãκãʪÏä
ÑÎÎí¸¯Ê´ÊÔÑéÏä
ÑÎÎíÊÔÑé»ú
ÑÎÎíÏä
 
 
Ê×Ò³ > ·þÎñÖÐÐÄ > У׼֤Êé
 
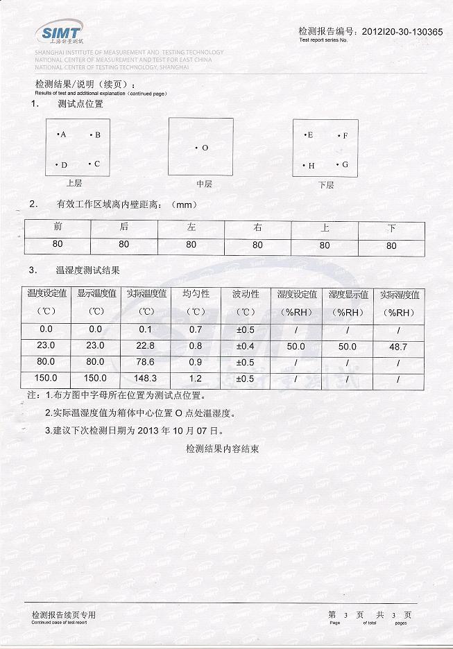
>>ºãκãʪÊÔÑéÏä¼ì²â±¨¸æ-ÉϺ£¼ÆÁ¿Ôº-ÌìÍþ±£±ä
ºãκãʪÊÔÑéÏä¼ì²â±¨¸æ-ÉϺ£¼ÆÁ¿Ôº-ÌìÍþ±£±ä

ʱ¼ä£º2012/10/15
 

 
Ïà¹Ø×ÊÁÏ
¡¤ºãκãʪÊÔÑéÏä¼ì²â±¨¸æ-ÉϺ£¼ÆÁ¿Ôº-ÌìÍþ±£±ä
 
 
ÔÚÏßÁôÑÔ | ÁªÏµÎÒÃÇ | ÍøÕ¾µØÍ¼ | ¼ÓÈëÊÕ²Ø | ÉèΪÖ÷Ò³ | | Òþ˽±£»¤ | ·¨ÂÉÉêÃ÷
°æÈ¨ËùÓÐ © ±±¾©ÑÅÊ¿ÁÖÊÔÑéÉ豸ÓÐÏÞ¹«Ë¾
Copyright(c) Beijing Yashilin Testing Equipment Co., LTD. All Right Reserved.
µç»°£º  68178477      ´«Õ棺010-68174779    
µØÖ·£º±±¾©ÊдóÐËÇø½ð¸¨Â·¼×2ºÅ ¾©ICP±¸08004694ºÅ
c